3-phase energy consumption monitor wi-fi, to 200/5 A
With internal antenna.
Measuring range up to 200 A.
With 200 A transformers.
3-phase, 2-way, 4-quadrant electricity consumption monitor.
Perfect for monitoring photovoltaic installations, among other things

Energy-3-OPTI-200 allows you to record electricity consumption and monitor important network parameters - voltage, current, power, energy consumption. Access to the data is possible directly from the application or via a web browser.



Application
Properties
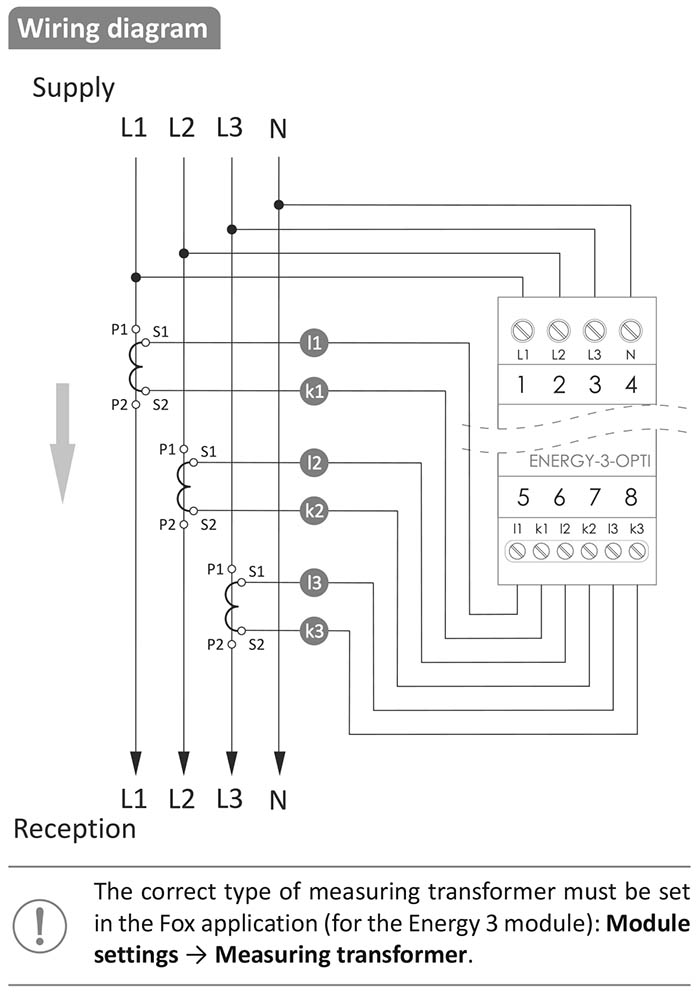
Miniature, open-ended current transformers are supplied with the unit. No interference with the current leads is required to clip them onto the measured leads, but special attention must be paid to the way the lead is passed through the transformer and to the connection of the secondary side of the transformer to the device.

Miniature current transformer to be fastened on the measured conductors.
| Power supply voltage | 3× 230/400 V AC (-25%÷15%) |
| Frequency | 50÷60 Hz |
| Installation | 3-phase, 4-wire |
| Accuracy - meter | 1% |
| Accuracy - measuring transformers | 0,5% |
| Transformer parameters - primary current | 200 A |
| Transformer parameters - secondary current | 30 mA |
| Transformer parameters - cable diameter | ≤24 mm |
| Meter constant | 1000 imp/kWh |
| Humidity (non-condensing) | ≤ 90% |
| Radio frequency | 2,4 GHz |
| Transmission | WI-FI |
| Radio power (IEEE 802.11n) | ≤ 20 dBm |
| Receiver sensitivity | -98 dBm |
| Terminal | 2.5 mm² screw terminals (cord); 4.0 mm² screw terminals (wire) |
| Tightening torque | 0,5 Nm |
| Power consumption | ≤ 2 W |
| Working temperature | -20÷50°C |
| Dimensions | 2 modules (35 mm) |
| Assembly | on rail 35 mm |
| Ingress Protection Marking | IP20 |
